|
| |
| |
|
|
|          |
| |
|
|
|
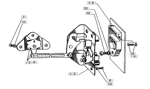
Каталог запчастей. Кабина и оперение. Замок двери
№ | номер | наименование | кол-во | 1 | 377-6105012-01 | Замок в сборе правый | 1 | 2 | 377-6105013-01 | Замок в сборе левый | 1 | 3 | 377-6105080-02 | Привод в сборе правый | 1 | 4 | 377-6105081-02 | Привод в сборе левый | 1 | 5 | 375-6106110 | Фиксатор в сборе правый | 1 | 6 | 375-6106111 | Фиксатор в сборе левый | 1 | 7 | 220101-П29 | Винт М6-6gХ8 | 6 | 8 | 221603-П29 | Винт М6-6gХ12 | 8 | 9 | 221663-П29 | Винт М8-6gХ18 | 2 | 10 | 252135-П2 | Шайба 8Т | 4 | 11 | 252154-П2 | Шайба 6Л | 6 | 12 | 330986-П29 | Болт М8Х18 | 4 | 13 | 335422 | Шайба 6 | 8 | 14 | 335423 | Шайба 8 | 2 |
|
| |
|
|
|

|
| |
|
|
|
Россия, г. Миасс, Тургоякское шоссе Тел.: (3513) 29-89-71, 29-85-41; Моб.: (35190) 2-59-63 Эл. почта: miassural@bk.ru |
|
|
| |
|